हमें ईमेल करें

sdepochwater@hotmail.com

उत्पादों
सिंचाई जल मीटर
  • सिंचाई जल मीटरसिंचाई जल मीटर
  • सिंचाई जल मीटरसिंचाई जल मीटर

सिंचाई जल मीटर

उपयोग: पाइपलाइन के माध्यम से बहने वाले पानी की कुल मात्रा को मापने के लिए प्रवाह मापने वाला उपकरण।

आपूर्ति की शर्तें:

▶आकार:DN50~DN600

▶सामग्री: कच्चा लोहा खोल

▶तापमान ग्रेड: T30, T50, T90

▶दबाव वर्ग:MAP16,MAP10

▶दबाव हानि:△P63


इंस्टॉलेशन तरीका:

1.क्षैतिज स्थापना।

2.अतिरिक्त जल फिल्टर की आवश्यकता है।

3. जल मीटर के जल इनलेट/आउटलेट के लिए सीधे पाइप अनुभाग U10/D5 की आवश्यकता होती है।


विशेषताएँ:

1. लघुसंचरण प्रतिरोध, बड़ी प्रवाह क्षमता, अवरोधरोधी और मजबूत प्रदूषणरोधी क्षमता।

2.क्षैतिज रोटर, शुष्क, चुंबकीय युग्मन ड्राइव।

3. काउंटर वैक्यूम सीलिंग, एंटी कंडेनसेशन और एटमाइजेशन को अपनाता है, और रीडिंग को लंबे समय तक स्पष्ट रख सकता है।

4. आसान स्थापना और रखरखाव के लिए हटाने योग्य संरचना को अपनाया जाता है

5. मापने के तंत्र में मजबूत सार्वभौमिकता है।

6. ग्राहकों की जरूरतों के अनुसार, रिमोट ट्रांसमिशन और ट्रांसमिशन डिवाइस (डबल रीड/हॉल ट्रांसमिशन) प्रदान किया जा सकता है।


तकनीकी मापदण्ड:

डीएन (मिमी) प्रवाह श्रेणी मीटरिंग ग्रेड अधिकतम प्रवाह Q4 सामान्य प्रवाह Q3 सीमा प्रवाह Q2 न्यूनतम प्रवाह Q1 न्यूनतम पढ़ना अधिकतम पढ़ना
Q3/Q1 एम3/घंटा घन मीटर
एलएक्सएक्सजी-50 2" आर20 (आर25) 25 31.25 5 1.25 0.002 999, 999
एलएक्सएक्सजी-65 2/2" 40 50 8 2 0.002 999, 999
एलएक्सएक्सजी-80 3” 63 78.75 12.6 3.15 0.002 999, 999
एलएक्सएक्सजी-100 4" 100 125 20 5 0.002 999, 999
एलएक्सएक्सजी-125 5” 160 200 32 8 0.002 999, 999
एलएक्सएक्सजी-150 6” 250 312.5 50 12.5 0.002 999, 999
एलएक्सएक्सजी-200 8” 400 500 80 20 0.002 999, 999
एलएक्सएक्सजी-250 10" 630 787.5 126 31.5 0.02 9, 999, 999

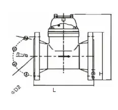
कुल मिलाकर आयाम और वजन:

नमूना डीएन लंबाई ऊंचाई कनेक्शन निकला हुआ किनारा
मिमी निकला हुआ किनारा बाहरी व्यास φD1 की संख्या कनेक्टिंग बोल्ट डी2 की संख्या कनेक्टिंग बोल्ट
एलएक्सएक्सजी-50 2" 200 253 165 125 4*एम16
एलएक्सएक्सजी-65 2V2" 200 268 185 145 4*एम16
एलएक्सएक्सजी-80 3” 225 284 200 160 8*एम16
एलएक्सएक्सजी-100 4" 250 295 220 180 8*एम16
एलएक्सएक्सजी-125 5” 250 310 250 210 8*एम16
एलएक्सएक्सजी-150 6” 300 339 285 240 8*एम20
एलएक्सएक्सजी-200 8” 350 382 340 295 8*एम20(1.0एमपीए) 12*एम20(1.0एमपीए)
एलएक्सएक्सजी-250 10" 450 438 395 405
12*एम20(1.0एमपीए) 12*एम24(1.0एमपीए)

A. निम्न क्षेत्र की अधिकतम स्वीकार्य त्रुटि(Q1≤Q

B.जब पानी का तापमान ≤30℃ है, तो उच्च क्षेत्र में अधिकतम स्वीकार्य त्रुटि (Q2≤Q≤Q4)±2% है जब पानी का तापमान>30℃ है, तो उच्च क्षेत्र (Q2≤Q≤Q4) में अधिकतम स्वीकार्य त्रुटि±3% है






हॉट टैग: सिंचाई जल मीटर
जांच भेजें
संपर्क सूचना
  • पता

    नंबर 112, जिफ़ांग रोड, लिक्सिया जिला, जिनान शहर, शेडोंग प्रांत, चीन

  • टेलीफोन

    +86-15665727870

अपने वाटर सिस्टम प्रोजेक्ट को अगले स्तर तक ले जाने के लिए तैयार हैं? शेडोंग एपोच इक्विपमेंट कंपनी, लिमिटेड को एक जांच भेजें और हमारी टीम से एक व्यक्तिगत प्रतिक्रिया प्राप्त करें। हम यहां आपके सभी जल प्रणाली की जरूरतों में मदद करने के लिए हैं। आइए हम आपका विश्वसनीय साथी बनें।
X
हम आपको बेहतर ब्राउज़िंग अनुभव प्रदान करने, साइट ट्रैफ़िक का विश्लेषण करने और सामग्री को वैयक्तिकृत करने के लिए कुकीज़ का उपयोग करते हैं। इस साइट का उपयोग करके, आप कुकीज़ के हमारे उपयोग से सहमत हैं। गोपनीयता नीति
अस्वीकार करना स्वीकार करना